產品發表 包羅萬象 模型拍賣 綜合討論 直昇機 飛機 同協會 回首頁

 找回密碼
 申請
樓主: lcd123

HPI SAVAGE XS flux & SS KIT 小野人之綜合討論

[複製鏈接]
發表於 2012年4月13日 03:13 PM | 顯示全部樓層
原帖由 kylehuang 於 2012年4月13日 02:02 PM 發表
請問各位大大,這個Savage XS SS 的後輪裝上去之後,是不是有些"內八"? 我檢查了幾遍,感覺沒裝錯,但後來內八的蠻多的。。。

我的RTR版也是內八...他的胎角度不能調整
回復 按讚

使用道具 舉報

 樓主| 發表於 2012年4月13日 05:59 PM | 顯示全部樓層
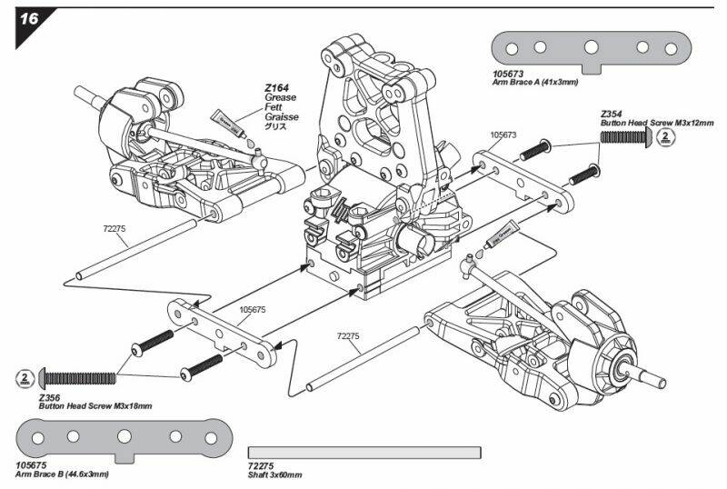
後輪A臂到傳送箱的插銷
本身前後兩個長度就不同
所以就會產生這個內八問題喔
零件編號 105673 長度 41*3mm
零件編號 105675 長度 44.6*3mm
胎3.jpg

[ 本帖最後由 lcd123 於 2012年4月13日 06:03 PM 編輯 ]
回復 按讚

使用道具 舉報

發表於 2012年4月14日 03:03 PM | 顯示全部樓層

回復 56樓 lcd123 的帖子

LCD大大,謝謝。
另外請教兩個問題,
1.前輪兩個輪子感覺虛位很大,車子提起來全速空轉,輪胎會蠻抖的,你們的會嗎?
2. 整個傳動系統全速空轉,感覺也蠻大聲的。還是這種大腳車的零件配合間繫本來就比較大一點?
回復 按讚

使用道具 舉報

發表於 2012年4月14日 04:35 PM | 顯示全部樓層
這陣子只在家中玩玩  把原廠貴胎換掉以後 這幾天好天氣在帶出去散步
IMG_1403.JPG
IMG_1405.JPG
回復 按讚

使用道具 舉報

 樓主| 發表於 2012年4月14日 05:09 PM | 顯示全部樓層
哇!!讚喔
新胎漂亮喔
避震也升級成4支囉
車燈我也來學你這樣裝好了
不想破壞車殼
回復 按讚

使用道具 舉報

發表於 2012年4月14日 05:15 PM | 顯示全部樓層
原帖由 lcd123 於 2012年4月14日 05:09 PM 發表
哇!!讚喔
新胎漂亮喔
避震也升級成4支囉
車燈我也來學你這樣裝好了
不想破壞車殼


風扇挖洞我也想了好久 本來用硬鎖的  但是感覺還是開孔比較有散熱效果
我也是以不破壞為前提去改裝 哈哈哈 不過沒辦法
回復 按讚

使用道具 舉報

您需要登錄後才可以回帖 登錄 | 申請

本版積分規則

世界各國訪RCTW統計

Archiver|手機版|台灣遙控模型-RCTW

GMT+8, 2026年4月24日 02:23 AM

Powered by Discuz! X3.5

© 2001-2026 Discuz! Team.

快速回復 返回頂部 返回列表