產品發表 包羅萬象 模型拍賣 綜合討論 直昇機 飛機 同協會 回首頁

 找回密碼
 申請
查看: 3281938|回復: 5

有關電變問題,請各位大大提供點意見

[複製鏈接]
發表於 2007年5月14日 07:40 PM | 顯示全部樓層 |閱讀模式
請問目前市面上所賣的電變哪款比較好壽命比較長呢??請各位大大們為小弟解憂吧,因為小弟使用亞拓RCE-35X無刷電變,今天掛了,而且使用不到1個月><




上一篇:My logo14
下一篇:問JR 9XII
回復

使用道具 舉報

發表於 2007年5月14日 07:52 PM | 顯示全部樓層
傑克的不錯用ㄚ
變電可以送亞拓修理
回復 按讚

使用道具 舉報

發表於 2007年5月14日 09:02 PM | 顯示全部樓層
原帖由 orekoer 於 2007年5月14日 07:40 PM 發表
請問目前市面上所賣的電變哪款比較好壽命比較長呢??請各位大大們為小弟解憂吧,因為小弟使用亞拓RCE-35X無刷電變,今天掛了,而且使用不到1個月>

亞拓電變直接寄回去...
他們會幫您處理的...
回復 按讚

使用道具 舉報

發表於 2007年5月14日 10:20 PM | 顯示全部樓層

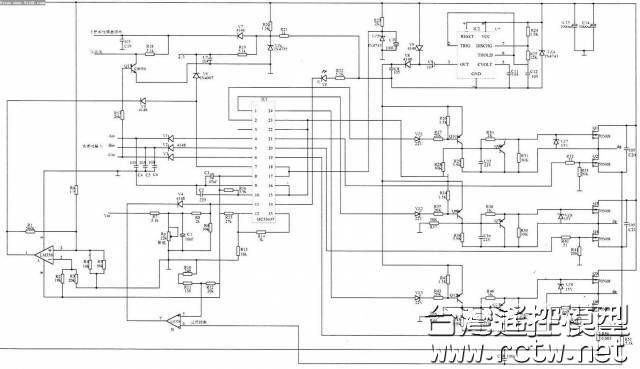
贈送老哥三張無刷變電圖

贈送老哥三張無刷變電圖
drawa1.jpg
20064262138100.JPG
onoffckt_YAyibjfgePxF.jpg
回復 按讚

使用道具 舉報

 樓主| 發表於 2007年5月15日 12:34 AM | 顯示全部樓層
那請問REDCON的電變好嗎???
回復 按讚

使用道具 舉報

發表於 2007年5月15日 09:15 AM | 顯示全部樓層
如果是用在450級電直
最好選40A以上且BEC 3A+
回復 按讚

使用道具 舉報

您需要登錄後才可以回帖 登錄 | 申請

本版積分規則

世界各國訪RCTW統計

手機版|台灣遙控模型-RCTW

GMT+8, 2025年11月14日 11:35 AM

Powered by Discuz! X3.5

© 2001-2025 Discuz! Team.

快速回復 返回頂部 返回列表