產品發表 包羅萬象 模型拍賣 綜合討論 直昇機 飛機 同協會 回首頁

 找回密碼
 申請
查看: 4334|回復: 4

布萊登堡馬達固定座

[複製鏈接]
發表於 2011年8月23日 12:10 PM | 顯示全部樓層 |閱讀模式
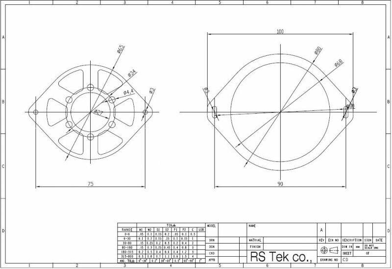
我要去雷射切割AL1.5 鋁合金固定板有人要跟嗎??
前固定座 有2孔 3孔 4孔
統計一下

前2孔

前2孔

前3孔

前3孔

前4孔

前4孔




上一篇:卡司特電變招回一事
下一篇:辛勤工作的颱風天
回復

使用道具 舉報

發表於 2011年8月23日 12:53 PM | 顯示全部樓層
有碳纖的嗎......反正都算我一份啦
回復 按讚

使用道具 舉報

 樓主| 發表於 2011年8月23日 02:46 PM | 顯示全部樓層
碳纖 雷射無法切割
只能丟給CNC去切割
材料+工錢 不低喔
回復 按讚

使用道具 舉報

發表於 2011年8月23日 05:59 PM | 顯示全部樓層
啊我之前買的架子不能用啊????
回復 按讚

使用道具 舉報

發表於 2013年3月10日 10:55 AM | 顯示全部樓層
世冠 發表於 2011年8月23日 02:46 PM
碳纖 雷射無法切割
只能丟給CNC去切割
材料+工錢 不低喔

世冠前辈 还有这布兰登堡电机座卖吗 我是新款的电机 我须要2套
回復 按讚

使用道具 舉報

您需要登錄後才可以回帖 登錄 | 申請

本版積分規則

世界各國訪RCTW統計

手機版|台灣遙控模型-RCTW

GMT+8, 2025年12月26日 11:19 PM

Powered by Discuz! X3.5

© 2001-2025 Discuz! Team.

快速回復 返回頂部 返回列表